আমাদেরকে ইমেইল করুন
পণ্য
পণ্য
ট্যাক বায়ুসংক্রান্ত টগল ভালভ
  • ট্যাক বায়ুসংক্রান্ত টগল ভালভট্যাক বায়ুসংক্রান্ত টগল ভালভ

ট্যাক বায়ুসংক্রান্ত টগল ভালভ

পেশাদার উত্পাদন হিসাবে, ওএলকে আপনাকে টিএসি বায়ুসংক্রান্ত টগল ভালভ সরবরাহ করতে চাই। এবং ওএলকে আপনাকে বিক্রয় পরবর্তী পরিষেবা এবং সময়োপযোগী বিতরণ সরবরাহ করবে।

টিএসি বায়ুসংক্রান্ত টগল ভালভ (একটি স্যুইচ ভালভ হিসাবেও পরিচিত) একটি নির্ভুলতা স্যুইচিং উপাদান যা বায়ুসংক্রান্ত সিস্টেম এবং তরল নিয়ন্ত্রণের জন্য বিশেষভাবে ডিজাইন করা হয়। এর অনন্য টগল-টাইপ নিয়ন্ত্রণ কাঠামোর সাথে, এটি দ্রুত স্যুইচিং এবং তরল পাথগুলির সুনির্দিষ্ট নিয়ন্ত্রণ অর্জন করে।

টিএসি সিরিজ টগল ভালভের 2 অবস্থান 2 উপায়, 2 অবস্থান 3 উপায় এবং 2 পজিশন 5 উপায় বেছে নেওয়া যেতে পারে e বিভিন্ন লিভার টাইপ এবং দুটি ধরণের থ্রেড: এম 5, জি 1/8।

অ্যাপ্লিকেশন পরিস্থিতি

শিল্প অটোমেশন সরঞ্জাম, যান্ত্রিক প্রক্রিয়াজাতকরণ, বিল্ডিং উপকরণ প্রক্রিয়াজাতকরণ, শক্তি এবং খনন, খাদ্য ও পানীয় শিল্প, চিকিত্সা সরঞ্জাম ইত্যাদি ইত্যাদি

পণ্য বৈশিষ্ট্য

এটি আকারে ছোট, খুব কম ইনস্টলেশন স্পেসের প্রয়োজন, এবং ম্যানুয়ালি পরিচালনা করতে স্বজ্ঞাত, এটি এমন দৃশ্যের জন্য উপযুক্ত করে তোলে যার জন্য ঘন ঘন স্যুইচিংয়ের প্রয়োজন হয়।

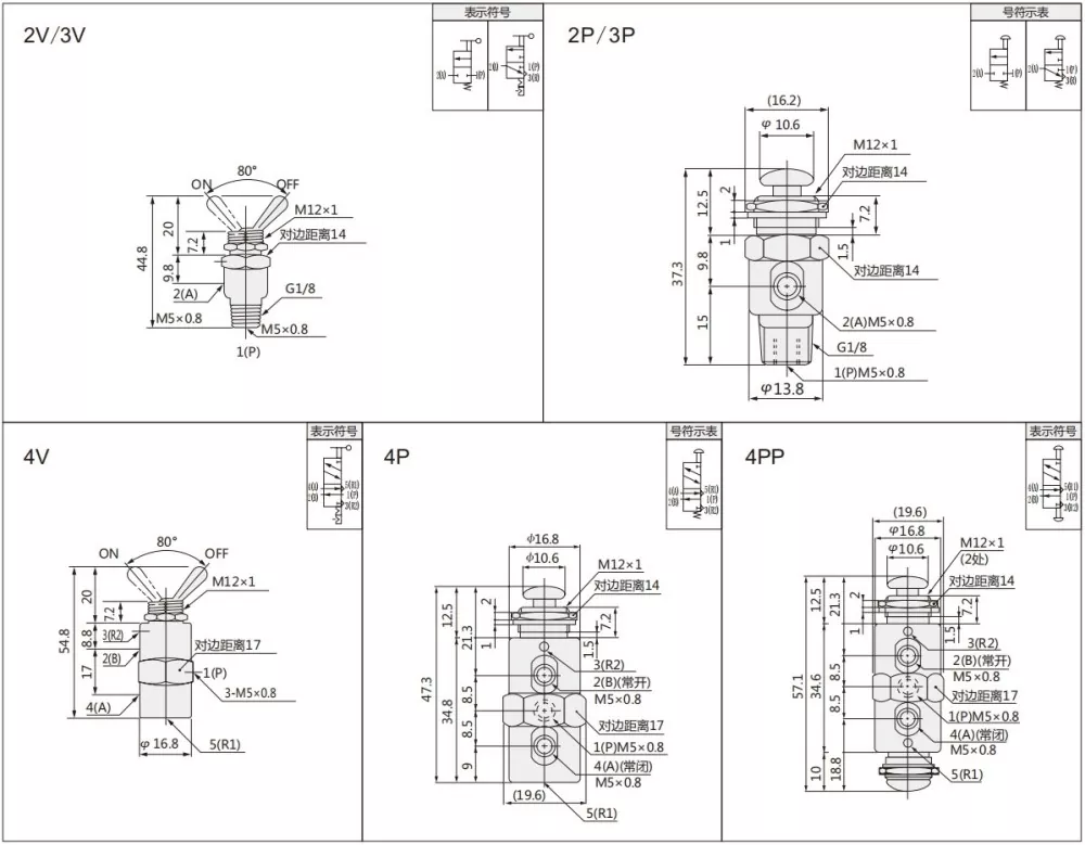
টিএসি টগল ভালভ প্রতীক এবং রূপরেখা

ওডারিং কোড

ট্যাক

2

__

2

P

 

 

 

 

 

টিএসি সিরিজ টগল ভালভ

 

 

2: 2 পজিশন 2 উপায় (এম 5)

পি: পুশ-পুল বোতাম প্রকার

 

 

 

3: 2 অবস্থান 3 উপায় (এম 5)

ভি: হ্যান্ড লিভার টাইপ

 

 

 

4: 2 পাওয়ার 5 ওয়ে (এম 5)

পিপি: ডাবল পুশ-পুল বোতাম

 

 

 

31: 2 অবস্থান 3 উপায় (জি 1/8)

 

 

 

 

41: 2 পাওয়ার 5 ওয়ে (জি 1/8)

 

 

মডেল

বন্দরের আকার

 

সংখ্যা
অবস্থান

কার্যকর  
ক্রস-বিভাগীয় অঞ্চল

চাপ পরিসীমা

কাজের তরল

পরিবেষ্টিত
তাপমাত্রা

 

TAC-2V

ইনলেট = আউটলেট = এম 5   

2 অবস্থান 2 উপায়

1.9 মিমি

0.05 ~ 0.9ppa

বায়ু

0 ~ 60

টিএসি -2 পি

ইনলেট = আউটলেট = এম 5   

2 অবস্থান 2 উপায়

1.9 মিমি

TAC-3V

ইনলেট = আউটলেট = এম 5   

2 অবস্থান 3 উপায়

1.9 মিমি

টিএসি -3 পি

ইনলেট = আউটলেট = এম 5   

2 অবস্থান 3 উপায়

1.9 মিমি

TAC-4V

ইনলেট = আউটলেট = এম 5   

2 অবস্থান 5 উপায়

1.9 মিমি

টিএসি -4 পি

ইনলেট = আউটলেট = এম 5   

2 অবস্থান 5 উপায়

1.9 মিমি

4 পিপি

জি 1/8

 

2 অবস্থান 5 উপায়

4.5 মিমি

TAC2-31V

ইনলেট = আউটলেট = নিষ্কাশন = জি 1/8   

2 অবস্থান 3 উপায়

4.5 মিমি

TAC2-31p

ইনলেট = আউটলেট = নিষ্কাশন = জি 1/8   

2 অবস্থান 3 উপায়

4.5 মিমি

TAC2-41V

ইনলেট = আউটলেট = জি 1/8 এক্সস্ট = এম 5

2 অবস্থান 5 উপায়

4.5 মিমি

TAC2-41p

ইনলেট = আউটলেট = জি 1/8 এক্সস্ট = এম 5

2 অবস্থান 5 উপায়

4.5 মিমি

TAC2-41 পিপি

ইনলেট = আউটলেট = জি 1/8 এক্সস্ট = এম 5

2 অবস্থান 5 উপায়

4.5 মিমি

FAQS:

টগল ভালভ এবং যান্ত্রিক ভালভের মধ্যে পার্থক্য কী?

এটি নিয়ন্ত্রণের ধরণ অনুসারে টগল ভালভ এবং যান্ত্রিক ভালভকে আলাদা করতে পারে: টগল ভালভ পিনড লিভার হোল্ডিং টাইপ, যান্ত্রিক ভালভ হ'ল পুশ-পুল বোতাম প্রকার বা রোলার টাইপ

 

টগল ভালভ এবং অন্যান্য ভালভের মধ্যে পার্থক্য কী?

সুনির্দিষ্ট নিয়ন্ত্রণ: টগল ভালভগুলি একটি শঙ্কু ভালভ কোরের মাধ্যমে সূক্ষ্ম প্রবাহ নিয়ন্ত্রণ অর্জন করে, যা ছোট ব্যাসের পাইপলাইনে সুনির্দিষ্ট নিয়ন্ত্রণের জন্য উপযুক্ত, অন্যদিকে বল ভালভগুলি দ্রুত খোলার এবং সমাপ্ত ক্রিয়াকলাপের জন্য আরও উপযুক্ত।

হট ট্যাগ: টিএসি বায়ুসংক্রান্ত টগল ভালভ, চীন, প্রস্তুতকারক, সরবরাহকারী, কারখানা
অনুসন্ধান পাঠান
যোগাযোগের তথ্য
  • ঠিকানা

    ঝেংটাই রোড, জিঙ্গ্যায়াং ইন্ডাস্ট্রিয়াল জোন, লিউসি, ইউউকিং, ওয়েনজু, ঝেজিয়াং, চীন।

  • টেলিফোন

    86-0577 57178620

  • ই-মেইল

    cici@olkptc.com

আমাদের ওয়েব সাইটে আপনাকে স্বাগতম! আমাদের পণ্য বা মূল্য তালিকা সম্পর্কে অনুসন্ধানের জন্য, আমাদের কাছে আপনার ইমেল ছেড়ে দিন এবং আমরা 24 ঘন্টার মধ্যে যোগাযোগ করা হবে.
ই-মেইল
cici@olkptc.com
টেলিফোন
86-0577 57178620
মুঠোফোন
+86-13736765213
ঠিকানা
ঝেংটাই রোড, জিঙ্গ্যায়াং ইন্ডাস্ট্রিয়াল জোন, লিউসি, ইউউকিং, ওয়েনজু, ঝেজিয়াং, চীন।
X
আমরা আপনাকে একটি ভাল ব্রাউজিং অভিজ্ঞতা দিতে, সাইটের ট্র্যাফিক বিশ্লেষণ করতে এবং সামগ্রী ব্যক্তিগতকৃত করতে কুকিজ ব্যবহার করি। এই সাইটটি ব্যবহার করে, আপনি আমাদের কুকিজ ব্যবহারে সম্মত হন। গোপনীয়তা নীতি
প্রত্যাখ্যান করুন গ্রহণ করুন