আমাদেরকে ইমেইল করুন
পণ্য
পণ্য
2V025 সোলেনয়েড ভালভ ম্যানিফোল্ড
  • 2V025 সোলেনয়েড ভালভ ম্যানিফোল্ড2V025 সোলেনয়েড ভালভ ম্যানিফোল্ড
  • 2V025 সোলেনয়েড ভালভ ম্যানিফোল্ড2V025 সোলেনয়েড ভালভ ম্যানিফোল্ড

2V025 সোলেনয়েড ভালভ ম্যানিফোল্ড

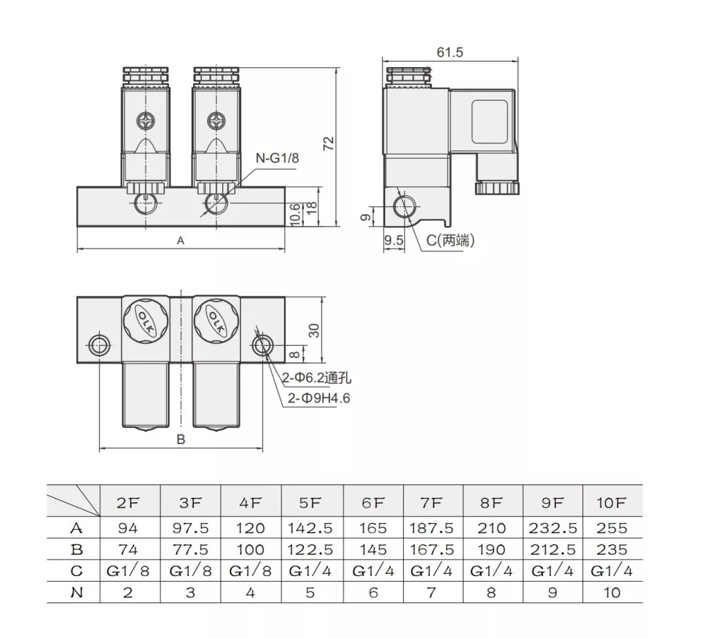
2V025 দ্বি-অবস্থান, দ্বি-মুখী সরাসরি-অভিনয় সাধারণত বন্ধ সোলেনয়েড ভালভ 2 থেকে 12 অবস্থান পর্যন্ত নমনীয় সম্প্রসারণের সাথে প্রয়োগের প্রয়োজনীয়তা অনুসারে একটি ভালভ বেস গঠন করতে সংযুক্ত করা যেতে পারে। এই মাল্টি-স্টেশন 2V025 Solenoid ভালভ ম্যানিফোল্ড একটি কমপ্যাক্ট এবং লাইটওয়েট ডিজাইনের বৈশিষ্ট্য রয়েছে কিন্তু পৃথক ব্যবহারের জন্য আলাদা করা যাবে না। ভালভ বডি উচ্চ-মানের অ্যালুমিনিয়াম খাদ দিয়ে তৈরি এবং এনবিআর সিলিং উপাদান ব্যবহার করে।

গ্রহণ এবং নিষ্কাশন দিকনির্দেশের উপর নির্ভর করে, 2V025 সোলেনয়েড ভালভ ম্যানিফোল্ডকে একটি খাঁড়ি এবং একাধিক আউটলেট সহ ধনাত্মক চাপের প্রকারে এবং একাধিক খাঁড়ি এবং একটি আউটলেট সহ নেতিবাচক চাপের প্রকারে ভাগ করা যেতে পারে। ভ্যাকুয়াম পাম্পে নেতিবাচক চাপ প্রয়োগ করা যেতে পারে। যেহেতু ইতিবাচক এবং নেতিবাচক চাপ বিপরীত দিকে কাজ করে, তাই অর্ডার দেওয়ার আগে দয়া করে OLK বিক্রয় দলের সাথে পরামর্শ করুন

2V025 সোলেনয়েড ভালভ ম্যানিফোল্ড সাধারণ পরামিতি ডেটা:

অ্যাকশন

সরাসরি অভিনয়

অবস্থানের সংখ্যা

2-পজিশন 2-ওয়ে

প্রাথমিক অবস্থা

NO,NC

তৈলাক্তকরণ

অপ্রয়োজনীয়

কাজের চাপ পরিসীমা MPa(psi)

0~0.8Mpa(0~114psi)

গ্যারান্টিযুক্ত চাপ প্রতিরোধের

1.5MPa (215psi)

স্ট্যান্ডার্ড ভোল্টেজ

AC220V, AC110V, AC24V, DC24V, DC12V

ভোল্টেজ পরিসীমা ব্যবহার করুন

AC: ±15%DC:±10%

শক্তি খরচ

AC: 6VADC: 6W

সুরক্ষা স্তর

IP65 (DIN40050)

তাপ প্রতিরোধের গ্রেড

শ্রেণী বি

সংযোগের ধরন

DIN সকেট টাইপ, আউটলেট টাইপ

উত্তেজনার সময়

0.05 সেকেন্ড বা তার কম

ভালভ বডি

অ্যালুমিনিয়াম খাদ

FAQs:

2V025-06 এবং 2V025-08 এর মধ্যে পার্থক্য কী?

2V025-06 এবং 2V025-08 এর মধ্যে পার্থক্য হল পোর্ট ব্যাস। 06 = G1/8, এবং 08 = G1/4


2V025 একসাথে মিলিত হয়ে একটি বহুগুণ ভালভ তৈরি করা যায়?

10 পিসি পর্যন্ত 2V025 সোলেনয়েড ভালভ একটি বহুগুণ ভালভ গঠন করতে পারে।


2-ওয়ে ভালভ 2V025 কোন পরিস্থিতিতে উপযুক্ত?

দ্বিমুখী দ্বি-মুখী 2V025 ভালভ কাজের পরিস্থিতিতে ফুঁ দেওয়ার জন্য উপযুক্ত, তবে এটি বায়ুসংক্রান্ত সিলিন্ডারের জন্য উপযুক্ত নয় কারণ কোনও নিষ্কাশন পোর্ট নেই।


একটি নেতিবাচক চাপ পরিবেশে 2V025 সোলেনয়েড ভালভ ব্যবহার করা যেতে পারে?

অবশ্যই, একাধিক এয়ার ইনলেট এবং একটি আউটলেট সহ 2V025 সোলেনয়েড ভালভ ভ্যাকুয়াম পাম্পের সাথে ব্যবহারের জন্য উপযুক্ত৷


2V025 তরল নিয়ন্ত্রণ উপত্যকা 2 উপায় কি সাধারণত খোলা থাকে?

হ্যাঁ, 2V025-06-না:ইনলেট :G1/8 , আউটলেট:M5

2V025-08-NO:ইনলেট:G1/4 , আউটলেট:M5

2 উপায় 2V025 Solenoid ভালভ ম্যানিফোল্ড মিলিত জয়েন্ট আনুষাঙ্গিক


হট ট্যাগ: 2V025 সোলেনয়েড ভালভ ম্যানিফোল্ড, চীন, প্রস্তুতকারক, সরবরাহকারী, কারখানা
অনুসন্ধান পাঠান
যোগাযোগের তথ্য
  • ঠিকানা

    ঝেংটাই রোড, জিঙ্গ্যায়াং ইন্ডাস্ট্রিয়াল জোন, লিউসি, ইউউকিং, ওয়েনজু, ঝেজিয়াং, চীন।

  • টেলিফোন

    86-0577 57178620

  • ই-মেইল

    cici@olkptc.com

আমাদের ওয়েব সাইটে আপনাকে স্বাগতম! আমাদের পণ্য বা মূল্য তালিকা সম্পর্কে অনুসন্ধানের জন্য, আমাদের কাছে আপনার ইমেল ছেড়ে দিন এবং আমরা 24 ঘন্টার মধ্যে যোগাযোগ করা হবে.
সংবাদ সুপারিশ
ই-মেইল
cici@olkptc.com
টেলিফোন
86-0577 57178620
মুঠোফোন
+86-13736765213
ঠিকানা
ঝেংটাই রোড, জিঙ্গ্যায়াং ইন্ডাস্ট্রিয়াল জোন, লিউসি, ইউউকিং, ওয়েনজু, ঝেজিয়াং, চীন।
X
আমরা আপনাকে একটি ভাল ব্রাউজিং অভিজ্ঞতা দিতে, সাইটের ট্র্যাফিক বিশ্লেষণ করতে এবং সামগ্রী ব্যক্তিগতকৃত করতে কুকিজ ব্যবহার করি। এই সাইটটি ব্যবহার করে, আপনি আমাদের কুকিজ ব্যবহারে সম্মত হন। গোপনীয়তা নীতি
প্রত্যাখ্যান করুন গ্রহণ করুন